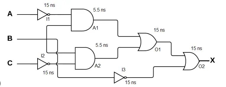
This is the length of time it take for a output gate to respond to input gates changing.

Calculating Maximum Propagation Delay
- Find the path from input to output that takes the longest time
Changing Waveform Diagrams
- Waveform Diagrams will shift by the propogation delays
